Вычислительный модуль Raspberry PI CM5 4Gb 16Gb без Wi-Fi
-
Вычислительный модуль Raspberry PI CM5 8Gb 64Gb с Wi-Fi
RPI-CM5108064 17300 грн Ожидается
-
Кулер Waveshare для Raspberry Pi 5 активный
WVS-25939 390 грн Есть в наличии -
Плата расширения SIMCom SIM7600G-H-M.2 LTE в форм-факторе M.2
WVS-19458 2600 грн Есть в наличии -
Вычислительный модуль Raspberry PI CM4 4Gb 32Gb без Wi-Fi
RPI-CM4004032 7800 грн Ожидается -
Вычислительный модуль Raspberry PI CM5 8Gb 64Gb с Wi-Fi
RPI-CM5108064 17300 грн Ожидается
Raspberry Pi Compute Module 5 - это новый вычислительный модуль от компании Raspberry Pi Fundation, основой которого является четырехъядерный, 64-битный процессор Broadcom BCM2712 Arm Cortex-A76 (Armv8) SoC. В сравнении со своим предшественником, новый вычислительный модуль имеет большую вычислительную мощность и скорость обработки данных: процессор быстрее в 2-3 раза, ОЗУ быстрее в 3-4 раза. Вычислительные модуля в основном разработаны для решения задач промышленного сектора, но также он найдет свое применение и в изделиях многих энтузиастов.
Модуль подключается к несущей плате все теми же двумя разъемами высокой плотности (100 контактов на разъем) из семейства Hirose DF40 (Board-to-Board Connectors). Это делает новый вычислительный модуль физически совместимым с несущими платами разработанными для Compute Module 4. Но следует учитывать, что CM4 и CM5 имеют некоторые отличия в распиновке.
Вычислительный модуль Raspberry PI CM5 4Gb 16Gb без Wi-Fi.Микрокомпьютеры, одноплатные компьютеры, комплектующие запчасти для дронов, БПЛА и радиоуправляемых моделей можно купить в Украине с официальной гарантией.
-
Характеристики
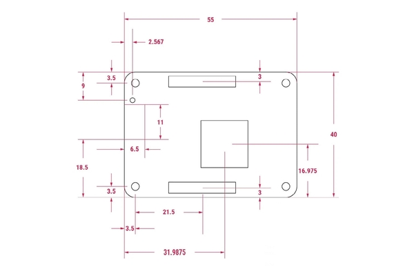
- Форм-фактор: модуль 55 мм × 40 мм × 4.7 мм, 4 монтажных отверстия M2.5
- Broadcom BCM2712, четырёхъядерный 64-битный Arm Cortex-A76 (Armv8) SoC @ 2.4GHz
- Память: 4GB RAM, 16GB eMMC
- Эта версия НЕ содержит опционального беспроводного модуля
- Мультимедиа: декодер 4Kp60 HEVC, OpenGL ES 3.1, Vulkan 1.2, 1 × SDIO 2.0 (CM5 Lite)
- Питание: один вход +5V PSU, поддержка USB PD до 5A @ 5V
- Рабочая температура: −20°C... +85°C
-
Комплектация
- Вычислительный модуль Raspberry PI CM5 4Gb 16Gb без Wi-Fi -1шт
- Страна бренда
- Китай
- Страна производства
- Китай
- Рекомендованный возраст
- Не для дітей
- Материалы
- пластик нетокс, метал, гума
- Гарантия
- 1 місяць. Зберігайте етикетку.
- Срок хранения
- Необмежений
- Содержит литиевый аккумулятор
- Ні
- Условия хранения
- у місці, що захищене від прямих сонячних променів; подалі від вогню, вологи та дітей; при температурі -10°C - +30°C.
- Предупреждение
- Оберігати від механічних ударів; використовуйте сумісну електроніку; перед підключенням периферії перевірте відповідність напруги; не перевантажуйте.
- Инструкция
- Використовуйте за призначенням.
- Единица измерения
- 1 шт
Весогабаритные характеристики
- Вес товара
- 11.47 г
- Тип упаковки
- Коробка
- Вес в упаковке
- 0.054 кг
- Длина упаковки
- 9.5 см
- Ширина упаковки
- 6.5 см
- Высота упаковки
- 2.5 см
- Размеры упаковки
- 9.5х6.5х2.5 см
- Объём упаковки
- 0.00015 м. куб.